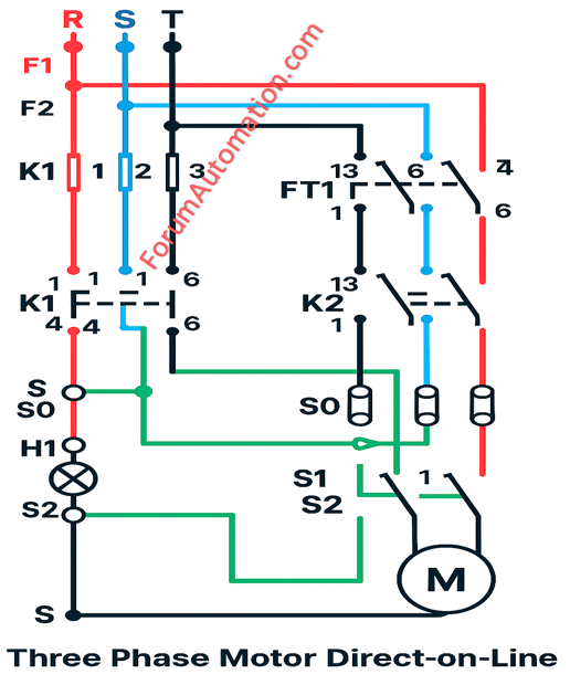
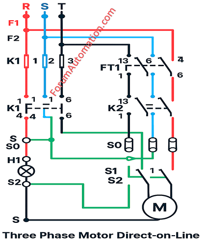
Direct-On-Line (DOL) Starter with Forward and Reverse Control for 3-Phase Motors
A Direct-On-Line (DOL) starter with reversing control is an easy and effective way to start & reverse the rotation of a three-phase induction motor. The method employs two contactors to alter the phase sequence allowing the motor to rotate in both forward & reverse directions while maintaining electrical safety and motor protection.
Power Circuit
The power circuit is made up of three-phase supply lines: R, S, and T, which are all protected by fuses F1, F2, & F3. Two contactors, K1 & K2 link the motor in different phases.
K1 links the motor in the standard phase sequence for the forward rotation.
K2 swaps two supply phases to produce reverse rotation.
A thermal overload relay (FT1) is installed between the contactors & the motor to protect it from overcurrent. The motor (M) is a three-phase machine that is connected to the contactors’ outputs.
Control Circuit
The control circuit handles the logic of starting, stopping & reversing the motor.
B1 is the primary switch that powers the control circuit.
S0 is the Stop push button (usually closed), which is utilized to interrupt the circuit.
S1 is the Forward Start button & S2 is the Reverse Start button (both are usually open).
When S1 is squeezed, contactor K1 energizes closing its primary connections and propelling the motor forward. When S2 is pressed, K2 activates reversing two phases & shifting the rotation direction.
The auxiliary contacts (13-14 and 21-22) offer electrical interlocking, preventing both contactors from working concurrently which could result in a short circuit. Indicator bulbs (H1 and H2) indicate which contactor is engaged (forward or reverse).
Operations
When S1 is pressed the motor starts moving forward through K1. When you press S2, K2 activates, reversing the phase sequence & turning the motor in the opposite way. The thermal relay (FT1) secures the motor from overloads by opening the circuit if too much current is detected.
This configuration allows a three-phase motor to start and change rotation direction securely utilizing two interlocked contactors, assuring motor protection, control reliability & operational safety.
You can also follow us on AutomationForum.co, Facebook and Linkedin to receive daily Instrumentation updates.
You can also follow us on ForumElectrical.com , Facebook and Linkedin to receive daily Electrical updates.
